See other posts from July 2008
Proof for liquids on Titan
Posted By Emily Lakdawalla
2008/07/30 07:02 CDT
Topics:
There's an article just published in Nature by the Cassini Visual and Infrared Mapping Spectrometer (VIMS) team, led by Robert Brown, titled "The identification of liquid ethane in Titan's Ontario Lacus." The associated press release is titled "NASA Confirms Liquid Lake on Saturn Moon." This may be making some of you ask: but wait, haven't they already proven there's liquid lakes on Titan?
Sort of. In science -- particularly the observational and descriptive end of science (as opposed to the experimental end) -- there's all kinds of shades of proof. For the liquids on Titan story, we had, to begin with, observational evidence of lots of methane in the atmosphere. So much methane would be really, really hard to sustain without a reservoir on the surface, and the surface temperature of Titan is such that methane should be stable as a liquid. So even without sending a spacecraft there we already had good evidence for liquids on Titan.
Then Cassini arrived, and it applied a battery of techniques to try to peep through the haze to see what was going on at the surface. The first piece of stronger "proof" of liquids on Titan came from the cameras, which spotted vaguely river-like features, and south polar clouds. But the rivers could quite well be dry (in fact, they probably are), and the clouds could produce no rain. The Huygens landing made it really obvious that liquids are an important element in the story of what creates Titan's surface features. There were unmistakably fluid-carved channels, and rounded cobbles of ice at the landing site whose shape really had to have been created through tumbling with other cobbles in a running river. Still, that's only evidence for past liquids, not present liquids. If you think that's unimportant, consider the question of water on Mars. There's tons of evidence for past water on Mars, but no chance of any liquid water at present.

ESA / NASA / JPL / University of Arizona
Titan river channel mosaic
A mosaic of three frames from the Huygens Descent Imager Spectral Radiometer shows the surprising channels observed on Titan's surface during Huygens' descent.
ESA / NASA / GSFC / ASI / GCMS Team
Increase in methane observed after impact by GCMS
This graph of data from the Huygens GCMS instrument shows the increase of nitrogen and methane during the probe descent and the rapid and important increase in methane at the surface.
A candidate lake on Titan?
The footprint-like feature in the upper left corner of this image is the unusual-looking feature that Cassini imaging scientists think may be a hydrocarbon lake. It is roughly 234 kilometers long by 73 kilometers wide (145 miles by 45 miles), about the size of Lake Ontario (a lake on the U.S.-Canadian border). The red cross below center identifies the location of Titan's south pole.
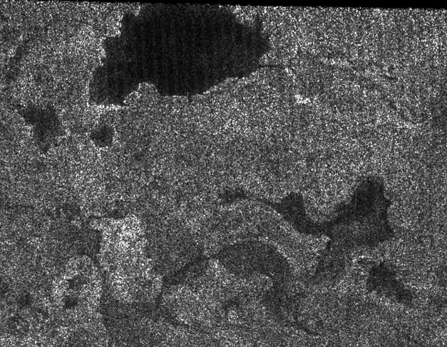
NASA / JPL
Possible Titan lakes and drainage channels
In this segment of the July 22, 2006 RADAR swath on Titan, very dark features are possible lakes; some, less dark features could be lakebeds that are now dried up. The darkest lake-like feature near the top of this image appears to have a thin drainage channel emptying into it from the east. It may even be possible that this channel connects the lake feature to one of the possible dried-up features to its southeast. However, the channel disappears into the background noise of the RADAR data, so evidence that the two features are connected is not conclusive.That's what today's press release is about. The VIMS instrument, like ISS, can only see Titan's surface through spectral "windows," narrow regions of the electromagnetic spectrum where methane gas is transparent. Methane is a great absorber, and it tends to eat up all the incoming sunlight even before it hits Titan's surface; whatever survives to reach the ground mostly doesn't make it through the return trip back to space. But there are a few regions of the spectrum where methane doesn't absorb sunlight very well, and it can make it down from the Sun, to the surface, back up to the spacecraft to be measured. ISS only has one of these "windows" available to it, at about 1 micron, and it's only semi-transparent, a very foggy view to the surface. VIMS reaches to longer wavelengths, out to 5 microns. There are several very good windows for VIMS to see down to the surface of Titan, in particular a broad one centered at 2 microns and another very wide one at around 5 microns.
So VIMS can take pictures of the surface of Titan, and, lo and behold, the "lakes" seen by RADAR and ISS look dark to VIMS too. So far, we're not talking about a different kind of evidence. But what VIMS can do that ISS and RADAR can't is measure spectra -- that is, it can measure how strongly the surface absorbs light of minutely different wavelengths. VIMS is the instrument that tells us what the surfaces of Saturn's icy moons are made of -- ice, crystalline or amorphous, and some carbon dioxide, and other stuff.
The job of the VIMS team is much, much, much harder at Titan because to see the surface they have to look through the atmosphere, and the atmosphere has its own spectrum. So they have to figure out how to correct their spectra for the influence of all the gases in the atmosphere, and even when they've done that they only have tiny bits of spectra to work with, the bits around 2 microns and 5 microns and the couple of other places where the methane windows allow them to see to the ground. Figuring out how to correct for the atmosphere, and figuring out whether any of the features they could see through those narrow little windows were even real, has taken them years. But they're finally beginning to report on the results of all that work.
The paper reports that they got a particularly good look at the Ontario Lacus feature (the foot-shaped one first spotted by ISS) on December 4, 2007, on the "T38" flyby. It goes through a careful analysis of what few spectral details make it through the methane windows, and concludes on the basis of the spectral analysis that it must be a very smooth, quiescent liquid, made of ethane mixed with propane and butane. If methane is there, they can't see it, because they had to correct for the atmospheric methane, and in doing so they would have erased any spectral features that had to do with methane in Ontario Lacus.
So the VIMS team is reporting one set of evidence that's the same as what was cited before by ISS and RADAR -- the putative lakes are dark and smooth, so are probably liquid -- and one new piece of evidence, on the composition of the lakes, that they seem to contain ethane, propane, and butane. Ethane and propane would be liquids at current temperatures and pressures there; butane wouldn't, but would be soluble in the first two.
So, if you were a doubter before, this would be a new line of evidence that should make you more confident in the possibility that there are lakes on Titan. What else could form stronger proof? One thing that would be nice to see is a specular reflection from one of these lakes -- a mirror-like glint. Problem is you can only see specular reflections when you have exactly the right geometry, with the sun behind you. Maybe if Cassini is there long enough, they'll spot one.
Whether or not you "believe" in the lakes, you ought to buy a "Surf Titan" T-shirt. Come on, you know you want one.
Blog Search
Support our Asteroid Hunters
They are Watching the Skies for You!
Our researchers, worldwide, do absolutely critical work.
Asteroid 2012DA14 was a close one.
It missed us. But there are more out there.




















Comments:
Leave a Comment:
You must be logged in to submit a comment. Log in now.